在电力设备制造、安装、运行、维护过程中,很多时候我们要测量系统中多种类型的电阻。


因此,根据现场实际需求选择合适的仪器来测试相符的电阻尤为重要。常见电阻种类有绝缘电阻、直流电阻、接地电阻、回路电阻和导通电阻等。如下图:
图片

不管是哪种电阻测量,其测量原理都是基于“欧姆定律”。虽然测量基本原理相同,但需要的测量仪器设备却不同,而检测出的各类型电阻值也体现出电气设备的不同性能质量状况。 
今天我们主要说一下电气系统中测量得多的两种电阻——直流电阻和绝缘电阻

一、直流电阻
1、什么是直流电阻?
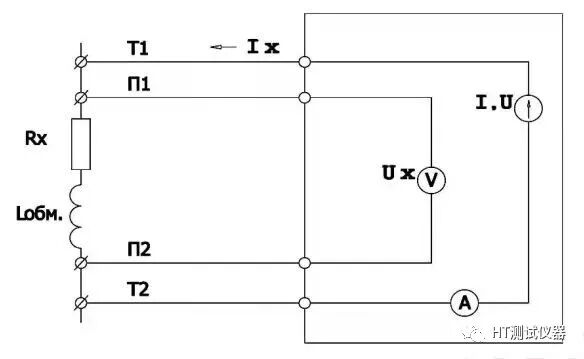
直流电阻指在被测试对象上施加一定大小的直流电流,通过欧姆定律计算后,所呈现出的电阻,这种电阻我们称为直流电阻,直流电阻是设备固有的,静态的电阻,其测量原理图如下:
图片

比如常见需要测量直流电阻的有:变压器的绕组、互感器绕组、各类导线的直流电阻等,特别是变压器在制造、安装交接、大修和改变分接开关后,是必不可少的试验项目,其测量通常采用直流电阻测试仪。而我公司的MIKO-7、MIKO-9A、MIKO-10等系列直流电阻测试仪(如下图所示)。均采用全新电气测试技术,具有性能稳定,测量方便、体积小巧、安全耐用、高,数据易保存等特点。能满足多种电气设备的直阻精准测量,尤其是在测量各类变压器绕组以及大功率电感设备时,是用户的理想仪器。 
图片

2、测量直流电阻的目的
通过仪器测量出的直流电阻值进行分析,可以判断电气设备绕组内部导线和引线的焊接质量,以及电气回路的完整性,能及时发现因制造、安装、运行中由于震动和机械应力等原因所造成的导线断裂、接头开焊、接触不良、匝间短路等缺陷。从而针对相应的状况采取维修保养措施,避免电气设备故障的发生。
 
二、绝缘电阻
1、什么是绝缘电阻
施加直流电压于电介质,经过一定时间极化过程结束后,流过电介质的泄漏电流对应的电阻称绝缘电阻。绝缘电阻是对电气设备安全性的一个基本的衡量指标,它是用来考察电气设备绝缘性能的。
在规定的温度、湿度和压力条件下,对绝缘部分施加规定的电压,从而测量出来的电阻值。这个电阻值的高低,直接关系着设备本身的安全性,或者设备使用者的安全性。
绝缘电阻的测量普遍性,是检查电气设备绝缘状态简便和基本的方法。在电力系统中涉及绝缘电阻的应用几乎是无处不在,在变压器、互感器、发电机、电动机、电力电容、电力电缆、避雷器等各种电气设备中都会检测绝缘电阻值。而在现场普遍使用绝缘电阻测试仪(兆欧表)来测量绝缘电阻。如HT测试仪器中一款极具人气的型号为HT7051的绝缘电阻测试仪(如下图),其测试电压可编程高达5kVDC,测量范围达10TΩ,在工业场合应用非常广泛。该仪器可以在固定模式(固定测试电压)、调整模式(可编程测试电压)与渐进模式(可编程的测试电压与应用时间)执行测试,适合各种用应用环境。还可以测量极化指数、介质吸收比等参数,这种耐久测试可以很好的确定设备绝缘质量。
图片

2、为什么要做绝缘电阻测试?
安全的保障
之所以进行绝缘测试,重要的原因是为了确保设备安全和人身安全。通过执行绝缘测试,能发现设备电气部分因绝缘故障导致漏电或者短路等隐患,消除人身和设备安全事故发生的可能性。
可以延长设备寿命
绝缘电阻测试对于保护并延长电气系统中设备的使用寿命也具有重要意义。长期使用的电气设备,绝缘也会老化,端线松弛。通过测量设备绝缘电阻值,能灵敏地反应绝缘情况,能有效地发现设备局部或整体受潮和脏污,以及绝缘击穿和严重过热老化等缺陷。而且周期性维护测试能够提供可供分析的数据,同时预测可能的系统故障。另外,发生故障时也需要通过绝缘测试确定故障原因。通过绝缘电阻的测量能发现这些问题,并及时采取措施,延长设备寿命。
国标规定
无论是生产材料还是电气设备,都需要根据相应的国标要求进行绝缘电阻测试试验,以验证生产、安装过程中电气设备的质量,确保设备满足规程和安全标准。

三、直流电阻与绝缘电阻的区别?
直流电阻与绝缘电阻都是基于欧姆定律原理,针对不同的应用需求而设计。
直流电阻是反应出感性负载的电阻值,而绝缘电阻是体现设备绝缘程度大小的专用指标,都是电阻,但功能完全不同,两者各有所需,并不能相互补充,对两者测试值而言,通常直流电阻值越小越好,绝缘电阻反而是越大越好。而两种电阻只是基于同样的理论原理,创造了两种不同的测试功能。


图片